
Tanques de Aire SMC
"Un tanque de aire SMC almacena y estabiliza aire comprimido, reduce fluctuaciones de presión, amortigua pulsaciones y mejora la eficiencia del sistema neumático, prolongando la vida útil del compresor."


Tanque de aire de capacidad pequeña
El tanque de aire VBAT de SMC se caracteriza por su construcción robusta y capacidad de almacenamiento de aire constante, ideal para aplicaciones industriales. Equipado con válvula de seguridad y conexiones de instalación rápida, facilita la integración en sistemas neumáticos existentes.


El tanque de aire AT de SMC se caracteriza por su diseño compacto y duradero, fabricado en acero de alta calidad para resistencia y durabilidad. Está equipado con un sistema de válvula de seguridad que protege contra sobrepresiones. Además, cuenta con conexiones para instalación rápida y fácil, facilitando su integración en sistemas neumáticos existentes. Su capacidad de almacenamiento permite suavizar las variaciones de demanda de aire, mejorando la eficiencia y estabilidad del sistema neumático.
Tanque de aire de Gran Capacidad
FUNCIONES PRINCIPALES
Almacenamiento eficiente de aire comprimido
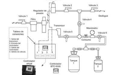
Los tanques de aire de SMC actúan como depósitos para almacenar aire comprimido, garantizando una presión estable y un suministro constante para sistemas neumáticos.Estabilización de presión
Ayudan a reducir fluctuaciones en la presión de aire, mejorando el rendimiento y la eficiencia de los equipos conectados.Reducción de pulsaciones
Minimiza las pulsaciones causadas por compresores o válvulas, protegiendo los componentes neumáticos y prolongando su vida útil.Soporte para demandas puntuales de aire
Proveen aire adicional en situaciones de picos de demanda, asegurando un flujo continuo sin afectar la operación del sistema.Separación de humedad y partículas
Algunos modelos están diseñados para facilitar la separación de agua y partículas, manteniendo la calidad del aire comprimido en el sistema.Compatibilidad con sistemas avanzados
Diseñados para integrarse perfectamente con otros componentes SMC, como reguladores, válvulas y filtros, ofreciendo soluciones completas y fiables.
CARACTERISTICAS PRINCIPALES
Diseño compacto y robusto
Fabricados con materiales de alta calidad para garantizar durabilidad y un tamaño optimizado que se adapta a diversas aplicaciones industriales.Amplio rango de capacidades
Disponibles en múltiples tamaños para satisfacer diferentes necesidades de almacenamiento de aire comprimido.Resistencia a la corrosión
Algunos modelos cuentan con revestimientos especiales o materiales resistentes para operar en entornos exigentes.Conexiones estándar y personalizables
Equipados con puertos de conexión estándar y opciones para adaptarse a configuraciones específicas del sistema.Compatibilidad con altas presiones
Diseñados para soportar presiones de trabajo elevadas, asegurando un rendimiento confiable incluso en aplicaciones críticas.Fácil instalación y mantenimiento
Su diseño simplificado permite una instalación rápida y un mantenimiento eficiente, reduciendo tiempos de inactividad.Cumplimiento con normativas internacionales
Construidos bajo estándares de calidad reconocidos, garantizando seguridad y rendimiento óptimo.Ligereza en modelos seleccionados
Disponibilidad de opciones más ligeras que facilitan la manipulación sin comprometer la resistencia estructural.
APLICACIONES TIPICAS
Líneas de producción automatizadas: Garantizan un flujo constante de aire en procesos como ensamblaje y transporte.
Sistemas de control de precisión: Estabilizan la presión en equipos de prueba y válvulas neumáticas.
Manejo de materiales: Proveen aire para equipos de elevación, transportadores y sistemas de vacío.






Ubicación
Descubre dónde puedes encontrar nuestro producto y sus características detalladas en nuestra página web.
Dirección
Calle Ejemplo 123, Ciudad
Horario
Lunes a Viernes


